Materiale a contattocon il liquido:
- Polipropilene
- Kynar (PVDF)
Materiali di costruzionedei diaframmi e valvolea contatto nei liquidi:
- Geolast (Buna-N)
- Santoprene (EPDM)
- Teflon
- Viton
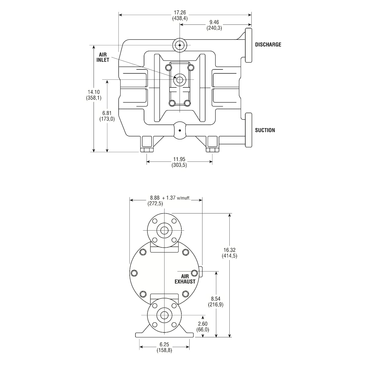
| Portata regolabile | da 0 a 152 l/min. (con H2O) |
| Press. di esercizio | da 1,2 a 6,8 bar |
| Peso | 9,9 kg in Kynar - 8,6 kg altre |
| Aspirazione | 1" G.f. |
| Mandata | 1" G.f. |
| Att. alim. aria | 1/4" G.f. |
| Battente negativo | ~ 4 mt a secco |
| Max dim. passag. solidi | Ø 4 mm |
| Temp. max | 66°C Polipropilene / 93°C Kynar |
| Capacità per colpo | 0,315 litri |





